Real-time pressure monitoring is essential in hydrochloric acid vaporizers to ensure safety, reliability, and efficiency in chloralkali and downstream processes. Sudden pressure surges—from flow disruptions, temperature swings, blockages, or fill-fluid vaporization—can cause overpressure events, acid mist release, equipment corrosion (including intergranular attack), and incomplete vaporization. Inline pressure transmitters deliver instant detection of fluctuations, enabling rapid activation of overpressure protection, automatic shutdowns, and precise control to maintain stable vapor-liquid equilibrium. This prevents hazardous HCl vapor releases, reduces diaphragm fatigue and fill-fluid degradation, minimizes unplanned downtime, mitigates corrosion damage, and optimizes vaporization performance while protecting personnel and assets.
Chloralkali Process
*
Overview of Chloralkali Process
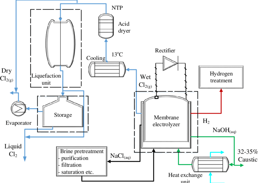
The chloralkali process is the industrial cornerstone for producing chlorine, caustic soda (sodium hydroxide), and hydrogen chloride gas from brine. Brine, prepared from water and purified sodium chloride, enters an electrolyzer where electric current splits it. The main outputs are chlorine gas at the anode, hydrogen gas, and caustic soda at the cathode, with hydrogen chloride gas typically produced as a by-product.
A chloralkali process diagram illustrates this sequence. Brine feeds enter the cell; electrical energy breaks sodium chloride down. Chlorine gas rises from the anode region, while sodium hydroxide and hydrogen gas form near the cathode, leaving the cell via separate channels. Hydrogen chloride gas production occurs either through direct synthesis from hydrogen and chlorine gases, or by absorbing chlorine into caustic soda to later recover HCl through acidification.
Production routes for hydrogen chloride gas mandate precise control. In direct synthesis, hydrogen and chlorine are reacted at controlled pressure and temperature, forming HCl gas. Accurate inline pressure measurement at this step is critical—excessive pressure elevates explosion risk, whereas low pressure reduces yield and contaminates downstream product. The conversion of hydrogen chloride gas to hydrochloric acid requires absorption into deionized water under controlled conditions, again demanding robust pressure monitoring to avoid acid mist generation and leaching issues that promote intergranular corrosion.
Each stage—feedstock entry, electrolysis, gas separation, HCl synthesis, and HCl absorption—relies on real-time pressure data. Overpressure can drive catastrophic leaks or acid mist emission, while underpressure creates instability, compromising vaporization efficiency and product purity.
Vaporization of Hydrochloric Acid and Its Challenges
The vaporization of hydrochloric acid, commonly implemented for downstream processes like chemical synthesis or acid pickling, depends on stable feed delivery, controlled heating, and safe transfer. Key stages include preheating the hydrochloric acid, vaporizing within a dedicated heat exchanger, and distributing the vapor. Each phase poses its own risks: rapid feed fluctuations or heat imbalances may cause pressure pulse fluctuations, potentially overwhelming overpressure protection systems.
Real-time inline pressure monitoring becomes vital at these control points. For example, a failed temperature controller or clogged vapor outlet may cause sudden buildup in pressure. Without active monitoring, vaporizer shell pressure may rise, pushing fill fluid into vapor spaces—a scenario that leads to fill fluid vaporization impact and aggravates acid mist condensation issues. These effects strain vaporizer components, heightening risks of corrosion-induced failure mechanisms and intergranular corrosion.
On the mechanical side, diaphragm pressure sensors—often used for accurate real-time readings—are vulnerable to diaphragm fatigue and deformation. Common symptoms include non-linear pressure readings or complete sensor failure, which complicates on-site calibration procedures and demands frequent shutdown maintenance best practices to avoid unplanned downtime.
Unchecked, these instabilities contribute to premature equipment wear, particularly when hydrochloric acid vapor penetrates sealings or sensor housings. Effective hydrochloric acid mist control is necessary to prevent ingress leading to sensor fill fluid aging effects and long-term corrosion failure. To maintain vaporization efficiency optimization and ensure reliable overpressure protection, robust maintenance, and immediate pressure deviation alerts are imperative throughout every operational run.
Continuous pressure surveillance, including with tools from manufacturers like Lonnmeter, underpins safe and efficient chloralkali workflows by shielding against process upsets and minimizing failure triggers within vaporization and conversion steps.
Chloralkali Process Diagram
*
Core Risks in Hydrochloric Acid Vaporizer Operation
Hydrogen Chloride Gas Production Hazards
Hydrogen chloride gas production is a core element of the chloralkali process. However, improper management during vaporization brings critical safety and operational challenges. When liquid hydrochloric acid is vaporized without precise temperature and pressure control, acid mist forms. These airborne droplets can cause uncontrolled releases, presenting inhalation risks and significant corrosion to equipment. Generation of acid mist is typically a result of turbulence, pressure imbalances, or fluctuating vaporization rates. Effective hydrochloric acid mist control relies on maintaining stable process conditions and using robust vaporizers that regulate phase change. Overpressure protection systems also help mitigate sudden gas surges that can contribute to acid mist events.
Intergranular Corrosion and Asset Longevity
Equipment in hydrochloric acid vaporizer operation faces constant corrosion risk due to hydrogen chloride’s aggressive nature. Corrosion-induced failure mechanisms, especially intergranular corrosion, threaten pipes, valves, and measurement instrumentation. This form of corrosion attacks metal grain boundaries, weakening components from within and leading to premature failure. Real-time pressure monitoring is essential for intergranular corrosion prevention: by tracking deviations in operational pressure, operators can identify conditions likely to accelerate corrosion, such as persistent overpressure or cycling. Early detection allows for timely intervention, directly supporting corrosion failure prevention in industrial equipment and extending asset longevity.
Operational and Maintenance Threats
Fill fluid aging effects and fill fluid vaporization impact are daily operational risks in differential pressure measurement. Over time, chemical attack and temperature cycling degrade the fill fluids inside pressure transmitters, leading to altered densities, vapor formation, and compromised signal integrity. This deterioration introduces measurement drift and can trigger false alarms or mask genuine pressure changes. When acid mist condensation occurs on remote seals or instrument process connections, transmitter internals may become contaminated, further undermining reliability and accuracy.
Pressure pulse fluctuation causes are commonly related to abrupt process changes, pump cavitation, or transient valve operations. These sharp, repeated pulses can fatigue the delicate diaphragms inside sensors. Diaphragm fatigue and deformation may present as non-linear readings or slow response times. Early diaphragm fatigue symptoms include unstable pressure signals and erratic outputs, progressing to permanent sensitivity loss or rupture if neglected.
To ensure continued reliability, real-time pressure data supports on-site calibration procedures by revealing gradual trends away from baseline performance. Accessible data also enables operators to plan shutdown maintenance best practices, addressing both minor and emergent integrity issues before they escalate. This results in optimal vaporization efficiency, safe operation, and reduced unplanned outages across the hydrogen chloride gas production process.
Overpressure Protection and Efficiency Enhancement
Integrated Overpressure Protection Systems
Continuous overpressure detection is essential for safety and operational reliability in hydrochloric acid vaporizer skids. Pressure surges—often caused by rapid shifts in flow, fill fluid vaporization impact, or acid mist condensation issues—can result in diaphragm fatigue and deformation. Typical symptoms of diaphragm fatigue include inconsistent pressure readings, increased response times, and visible mechanical wear. If left unchecked, this fatigue can quickly progress to more severe corrosion-induced failure mechanisms, particularly relevant in chloralkali process systems.
Real-time monitoring, using inline pressure transmitters, is central to a reliable overpressure protection system. When pressure excursions are detected, safe trip protocols can be automatically activated, triggering shutdown and isolation of critical components before failure occurs. This not only prevents catastrophic releases of hydrogen chloride gas but also reduces the likelihood of intergranular corrosion, which is a major risk in the chloralkali process. Integrated systems, with continuous pressure feedback, enable on-site calibration procedures and support shutdown maintenance best practices, minimizing downtime and extending diaphragm service life.
Ensuring High Vaporization Efficiency
Maintaining a stable pressure profile is crucial for vaporization efficiency optimization in hydrochloric acid vaporizers. Pressure pulse fluctuation causes, such as fill fluid aging effects or rapid temperature swings, are disruptive to both vaporization and acid mist control. Sudden drops or spikes in pressure can lead to incomplete vaporization, higher acid loss rates, and increased acid mist condensation. These losses directly impact hydrogen chloride gas production output and compromise corrosion failure prevention in industrial equipment.
Inline pressure transmitters work in concert with process controls for density, concentration, and temperature. For example, a Lonnmeter inline density meter provides real-time feedback on acid concentration, enhancing control loop responses. Coordinated data from pressure and density measurements allow operators to fine-tune flow rates and heat input, keeping the vaporization process within optimal parameters. Stable system pressures minimize acid loss, support precise mist recovery, and ensure efficient utilization of energy. By linking these measurements, process stability improves, reducing both the need for unscheduled maintenance and the risk of acid mist emissions into the workspace.
Lonnmeter Inline Pressure Transmitters and Multi-Parameter Instrumentation
Lonnmeter inline pressure transmitters offer robust solutions for the chloralkali process, which demands precise monitoring of hydrogen chloride gas production and hydrochloric acid vaporization. These transmitters are engineered to withstand highly corrosive environments, providing fast and accurate readings that are resistant to common failures in general-purpose sensors. Their advanced sensor design addresses fill fluid aging effects and diaphragm fatigue and deformation—two leading causes of corrosion-induced failure in industrial equipment.
Specialized diaphragms and materials in Lonnmeter transmitters prevent fill fluid vaporization impact and the corrosive breakdown of internal components, which ensures consistent performance even during severe pressure pulse fluctuation causes or acid mist condensation issues. For instance, when vaporized HCl creates a challenging environment, Lonnmeter pressure transmitters serve as an early warning system for overpressure protection systems. They not only detect rises in pressure that may lead to intergranular corrosion prevention scenarios but react quickly to abnormal drops or spikes, often alerting operators before catastrophic failures occur.
Integrating Lonnmeter inline pressure transmitters with additional inline concentration, density, viscosity, level, and temperature transmitters creates a multi-parameter instrumentation network. This comprehensive approach allows operators to monitor fill fluid vaporization impact and acid mist condensation issues, both of which are critical for maintaining vaporization efficiency optimization. Inline density and viscosity meters, also manufactured by Lonnmeter, support detailed process control, enabling correction and adjustment before process deterioration or shutdown maintenance becomes necessary.
By tracking multiple parameters—pressure, temperature, concentration, density, viscosity, and level—real-time data gives insight into the root causes of diaphragm fatigue symptoms and helps implement shutdown maintenance best practices. This networked monitoring is essential for quick on-site calibration procedures, improving the resiliency and accuracy of the entire process.
Lonnmeter’s solutions ensure that the operational life of sensors and process equipment is maximized, directly supporting corrosion failure prevention in industrial equipment and reducing downtime caused by sensor faults. In the chloralkali process diagram, the use of multi-parameter systems helps address the challenges specific to hydrogen chloride gas production, improving hydrochloric acid mist control and fostering long-term system reliability.
Installation Guidance and Measurable Value
Optimal Placement Recommendations
For maximum process integrity in the chloralkali process, install pressure transmitters at both the vaporizer inlets and outlets. This dual-point approach provides instant detection of abnormal pressure pulse fluctuation causes and highlights overpressure risks associated with hydrogen chloride gas production and hydrochloric acid mist control. Additional sensors should be positioned at locations exposed to sudden pressure drops, such as piping pinch points or near control and safety-critical shutoff valves, where rapid indication of unwanted changes enables timely prevention of corrosion-induced failure mechanisms.
Measuring real-time concentrations and pressures near regions prone to fill fluid vaporization impact and acid mist condensation issues yields early warnings for intergranular corrosion prevention. Integrate inline density and temperature transmitters around these critical locations—particularly where vaporization efficiency optimization is paramount—to detect phase changes that affect fill fluid aging effects and trigger acid mist formation. Lonnmeter’s devices are especially useful when combined in this manner, as their accurate inline density readings enable rapid adjustments for maintaining stable process flows and preventing shutdown maintenance best practices from being compromised.
Value for Efficiency and Cost Reduction
Continuous, real-time pressure monitoring substantially lowers the frequency of unplanned shutdown maintenance events, thereby reducing direct labor costs and lost productivity. By detecting corrosion-induced failure mechanisms before they escalate, facilities extend both vaporizer and associated pipework lifespans—a crucial benefit for modern chloralkali process operations striving for corrosion failure prevention in industrial equipment.
The depth of gathered data from inline measurements supports efficient on-site calibration procedures, allows for early identification of diaphragm fatigue symptoms and deformation, and provides trigger points for scheduled interventions before system integrity is compromised. Frequent monitoring at these hotspots aids in the prediction of diaphragm fatigue and ensures that interventions are data-backed, reducing unplanned downtime.
Furthermore, integrating Lonnmeter’s inline density meters with pressure transmitters yields actionable insights that not only improve energy utilization through precise vaporization efficiency optimization but also minimize chemical wastage due to overfeeds or leaks—directly contributing to operational risk reduction and ensuring rapid return on investment.
Enhanced control over pressure and chemical density translates to better compliance with industry emission restrictions while supporting stringent hydrochloric acid mist control standards. Facilities rely on this continual data to fine-tune emissions, prevent fill fluid vaporization impact, and resolve acid mist condensation issues before compliance breaches occur—demonstrating measurable value for both productivity and regulatory adherence.
Comprehensive Risk Prevention and Best Practices
Establishing robust scheduling for shutdown maintenance and periodic on-site calibration is essential to maintain equipment integrity in hydrochloric acid vaporizer systems. Maintenance intervals should align with manufacturer recommendations and process requirements to ensure detection of diaphragm fatigue symptoms and prevent corrosion-induced failure mechanisms. On-site calibration procedures should include verification of pressure transmitter accuracy and inspection of inline density and viscosity meters from Lonnmeter for changes that signal instrument drift or fill fluid aging effects.
Continuous monitoring for early indications of fill fluid vaporization impact and diaphragm deformation improves system reliability. Operators should look for changes in response time, non-linear pressure readings, or visible stress marks on diaphragms. These symptoms can precede unplanned downtime and are often linked to the harsh operating conditions present during hydrogen chloride gas production and acid mist condensation issues. Instrument logs should be analyzed regularly for pressure pulse fluctuation causes—such as pump surges, valve actions, or rapid flow changes—to identify abnormal trends before they escalate.
Corrosion failure prevention in industrial equipment requires integration of both pressure and multiparameter signals. Inline density and viscosity meters from Lonnmeter supply real-time feedback that identifies subtle shifts in fluid properties caused by intergranular corrosion or acid attack. Data from these meters, alongside temperature and flow information, enables predictive maintenance planning and vaporization efficiency optimization. Operators should focus on maintaining overpressure protection systems to avoid stress-induced damage from sudden spikes.
Systematic approaches are necessary for tackling pressure pulse fluctuation causes and acid mist condensation issues. Instrumentation should be selected and installed to withstand corrosive vapors and resist acid deposition. Regular trap and drain maintenance, along with appropriate separation devices, help remove hydrochloric acid mist from process lines. Pulsation dampeners and flexible piping arrangements further stabilize pressure profiles, reducing diaphragm fatigue and deformation over time.
Applying these best practices ensures safe, efficient operation of vaporizer systems involved in the chloralkali process. Consistent monitoring, scheduled interventions, and preventative strategies collectively minimize risks and extend equipment service life.
Frequently Asked Questions
How does real-time inline pressure measurement improve vaporization efficiency in the chloralkali process?
Real-time inline pressure monitoring stabilizes key operating setpoints within hydrochloric acid vaporizers. When pressure changes are detected instantly, tight feedback control can be applied to maintain the vapor/liquid equilibrium zone, preventing under- or over-vaporization scenarios. This accurate response minimizes process disturbances from acid mist condensation issues or pressure pulse fluctuation causes, leading to more consistent hydrogen chloride gas production. By allowing process corrections before significant deviation occurs, inline pressure transmitters help achieve vaporization efficiency optimization and reduce chemical waste.
What role does pressure monitoring play in hydrochloric acid mist control and overpressure protection?
Continuous pressure tracking serves a critical layer of defense against hazardous events in the chloralkali process. Inline pressure transmitters such as those from Lonnmeter provide immediate notification of abnormal pressure increases or drops that are often precursors to hydrochloric acid mist formation. These real-time signals interface directly with overpressure protection systems, supplying operators with the actionable data required for the fastest possible intervention. Enhanced visibility means safety interlocks trigger early, preventing accidental release of corrosive gas and secondary containment failures.
How do inline transmitters help with corrosion-induced failure prevention?
Consistent and accurate pressure readings are crucial for identifying pressure transients linked to corrosion-induced failure mechanisms within vaporization equipment. Lonnmeter inline transmitters, built from corrosion-resistant materials, deliver reliable measurements even in highly aggressive environments. A stable pressure profile indicates process tightness; any detected instability may signal intergranular corrosion or fill fluid vaporization impact affecting process integrity. By tracking these trends, plants can deploy shutdown maintenance best practices prior to equipment compromise, fulfilling a key requirement for corrosion failure prevention in industrial equipment.
What are the main symptoms of diaphragm fatigue and deformation, and how can they be detected?
Erratic pressure readings, sluggish sensor responses, and gradual baseline drift typically characterize diaphragm fatigue symptoms. These issues can arise from repeated mechanical stress, fill fluid aging effects, or prolonged overpressure events. Advanced inline monitoring systems not only pick up on early deviations from normal performance but also trigger event-based alerts for on-site calibration procedures. Early detection ensures that operators can schedule targeted inspections, component replacement, and safety review long before a severe diaphragm deformation impacts downstream safety or process yield.
Which other inline instruments are valuable in the overall process, and why?
Effective management of the chloralkali process requires more than just pressure data. Inline concentration meters, density meters from Lonnmeter, viscosity meters, level transmitters, and temperature transmitters all contribute to process safety and efficiency. These tools collectively monitor variables like fill fluid vaporization impact, mixture density, and temperature drift. Only by integrating these readings with pressure measurements can operators detect and mitigate acid mist condensation issues, ensure proper intergranular corrosion prevention, and minimize unplanned downtime across the entire vaporization cycle.
Post time: Jan-15-2026



